北京江云聚力科技有限公司--手动位移台系列

品质更高,反应更快,服务更好,北京江云聚力科技有限公司欢迎您!

热线电话:18611310371样册下载

手动旋转台

位置:首页 > 手动位移台系列 > 手动旋转台

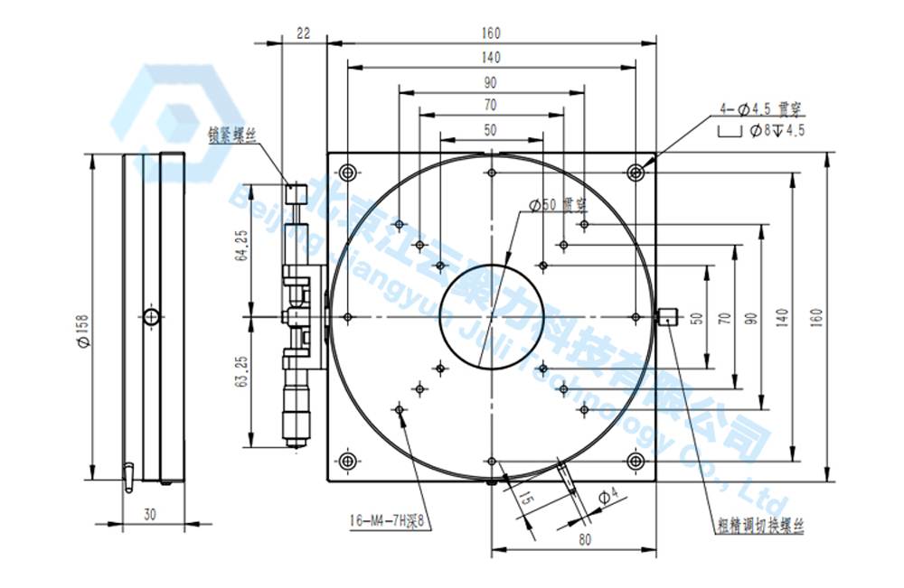
HT400RM160精密手动旋转台

品牌:江云

描述:台面可以360°旋转调整 台面360°刻划,方便读数 采用滑动轴承,主要部件材质为黄铜 旋转台驱动添加锁死功能,可以粗精调切换使用

产品商城 资料下载
  • 产品简介
  • 技术参数

jieshao.jpg

TEXING.jpg


CANSHU.jpg

CHICUN.jpg


在线客服
热线电话

北京江云聚力科技有限公司 © 版权所有 违者必究  电话: 18611310371  传真:   邮箱: pengna.wu@bjjyjl.cn  京ICP备19009285号-1

请完善信息
姓名:
*电话:
公司名称: