北京江云聚力科技有限公司--电动位移台系列

品质更高,反应更快,服务更好,北京江云聚力科技有限公司欢迎您!

热线电话:18611310371样册下载

精密电控平移台

位置:首页 > 电动位移台系列 > 精密电控平移台

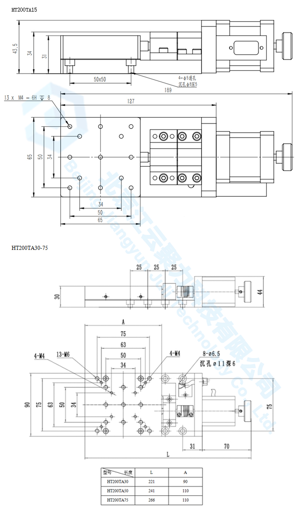
HT200TA系列超薄型电动平移台

品牌:江云

描述:标配步进电机和RS232接口,可与我公司控制器方便联接,产品结构小巧,适用于高精轻载低速的情况下使用,尤其适用于科学实验,高品质精磨丝杠驱动,小导程,相同细分数可达到高分辨率,巧妙的消空回螺母结构设计,可使研磨丝杠副的间隙降到最小,交叉滚柱导轨结构,运动舒适,有侧向调整导轨预紧力和消间隙的功能,可多维组合使用,精磨底板和合理的导轨固定方式大大的降低了工作台的俯仰和偏摆,提高了运动的直线度和平行度,标配的步进电机和研磨丝杠通过进口高品质弹性联轴节联接,传动同步,消偏性能好,大大降低了偏心扰动并且几乎无噪音

产品商城 资料下载
  • 产品简介
  • 技术参数


jieshao.jpg

texing.jpg


canshu.jpg

chicun.jpg

https://share.weiyun.com/506G5lO
在线客服
热线电话

北京江云聚力科技有限公司 © 版权所有 违者必究  电话: 18611310371  传真:   邮箱: pengna.wu@bjjyjl.cn  京ICP备19009285号-1

请完善信息
姓名:
*电话:
公司名称: